产品中心
PRODUCT CENTER
VZF(R)-12系列手车式真空负荷开关-熔断器组合电器
VZF(R)一12系列手车式真空负荷开关一熔断器组合电器(以下简称组合电器),是我公司为中置铠装移开式开关柜控制、保护变压器回路及感性负荷,特地设计制造的组合电器。其特点为移开式(手车)、体积小、结构紧凑新颖、外形尺寸与VS1断路器手车一致。它符合GB3804-2004、GB16926-2009等标准的规定要求,广泛应用于工矿企业、住宅小区、市政工程、二次变电站等12KV配电系统中,是最有效地保护变压器、高压电机、消弧线圈的最好选择。
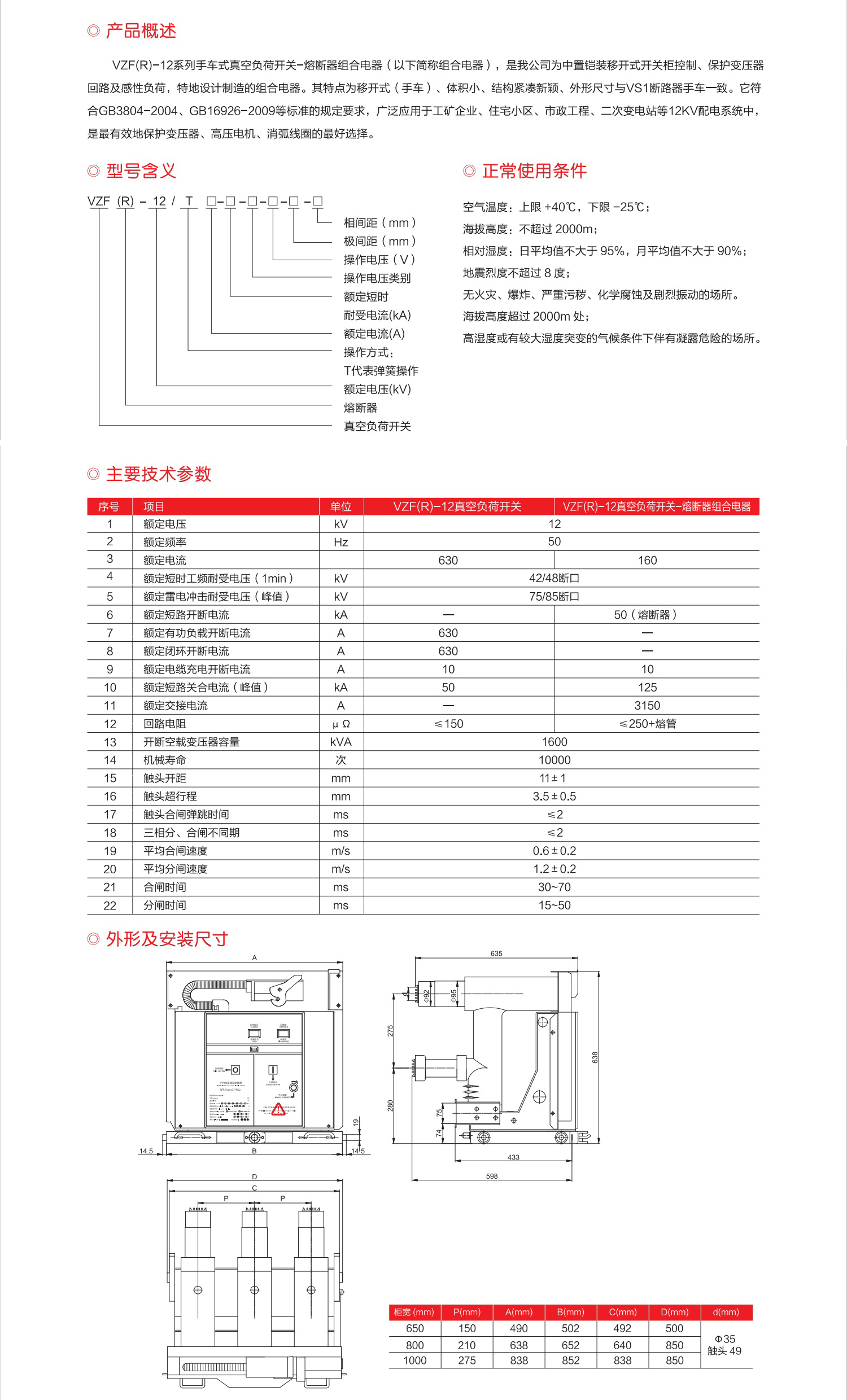
- 产品信息

