产品中心
PRODUCT CENTER
ZN63(VS1)-24系列高压真空断路器
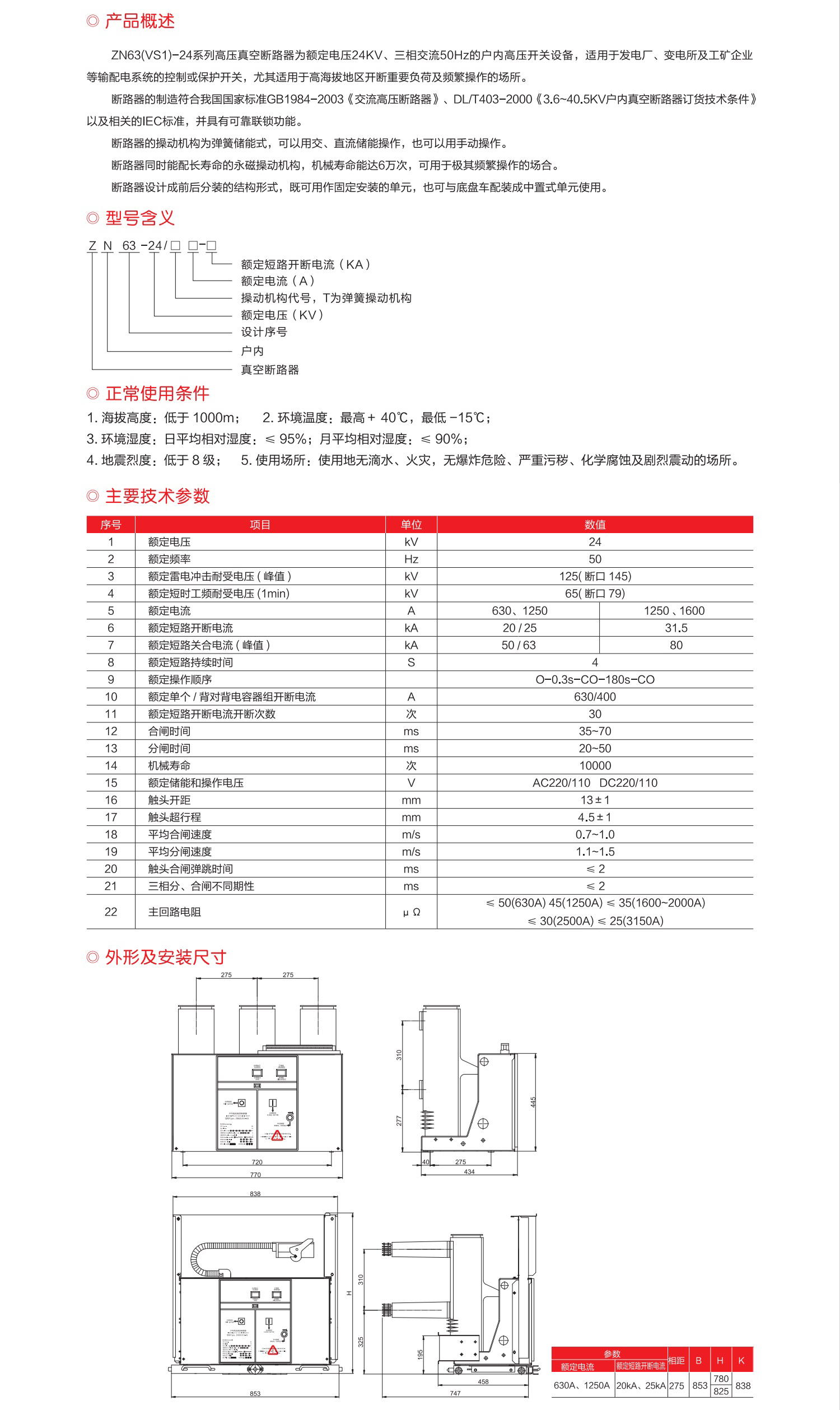
ZN63(VS1)-24系列高压真空断路器为额定电压24KV、三相交流50Hz的户内高压开关设备,适用于发电厂、变电所及工矿企业等输配电系统的控制或保护开关,尤其适用于高海拔地区开断重要负荷及频繁操作的场所。断路器的制造符合我国国家标准GB1984-2003《交流高压断路器》、DLT403-2000《3.6~40.5KV户内真空断路器订货技术条件》以及相关的EC标准,并具有可靠联锁功能。断路器的操动机构为弹簧储能式,可以用交、直流储能操作,也可以用手动操作。断路器同时能配长寿命的永磁操动机构,机械寿命能达6万次,可用于极其频繁操作的场合。断路器设计成前后分装的结构形式,既可用作固定安装的单元,也可与底盘车配装成中置式单元使用。
- 产品信息

